Mainly engaged in
Digital temperature controllers, intelligent digital display temperature controller, intelligent
dual-digital display regulator, multi-stage time-temperature process control ......
Products
·锥双挤出机专用温控仪
·温度控制仪 REX-C100/400/700/900/500
·温度控制仪 E5EZ-R3
·温度控制仪 CH102/402/702/902/502
·热流道专用温控仪电压调整器及模块
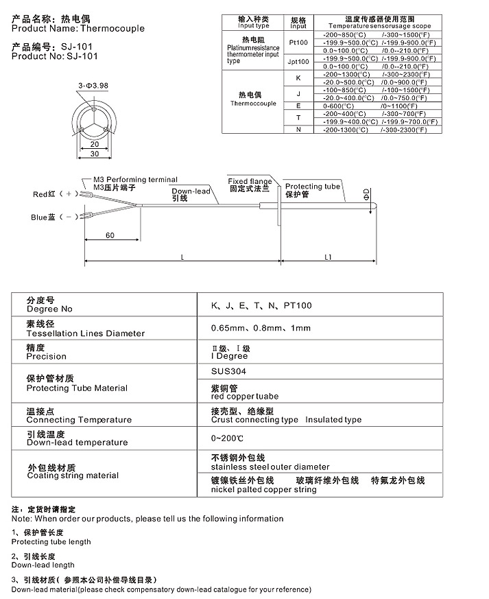
·热电偶(温度传感器)
·多段时间温度程序控制仪REX-700D/900D
·TE系列温度指示调节仪
·REX-J温度巡回检测仪选购介绍说明书
·REX-J多路智能温控仪表介绍说明书
Total: 13 Guestbooks Home Previous Next Last  Pages: 2/13  goto:
Copyright 2008 YuYao TaiMu Automationlnstrument.Factory