主要产品
数字式温度控制器、智慧型数字显示温度控制器、智能双数字显示调节器、多段时间温度程序控制仪表、
智能电压调整器、温度传感器......

产品展示
·锥双挤出机专用温控仪
·温度控制仪 REX-C100/400/700/900/500
·温度控制仪 E5EZ-R3
·温度控制仪 CH102/402/702/902/502
·热流道专用温控仪电压调整器及模块
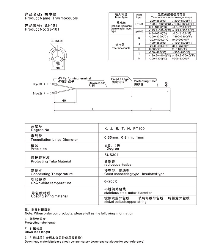
·热电偶(温度传感器)
·多段时间温度程序控制仪REX-700D/900D
·TE系列温度指示调节仪
·REX-J温度巡回检测仪选购介绍说明书
·REX-J多路智能温控仪表介绍说明书
总共 13 条数据 1 条/页 首 页 上 页 下 页 尾 页   页次: 2/13  跳转:
版权所有 2008余姚市泰姆自动化仪表厂